
| 参数号码 | 参数名称 | 出厂值 [代码] | 设定值 [代码] |
|
0-02 |
电机速度单位 |
RPM [0] |
Hz [1] |
|
1-00 |
控制方式选择 | 开环速度控制 [0] | 闭环过程控制 [3] |
|
3-01 |
参考值反馈单位 |
% [1] |
Bar [5] |
|
3-03 |
最大参考值 |
1500 |
6.0 bar |
|
3-15 |
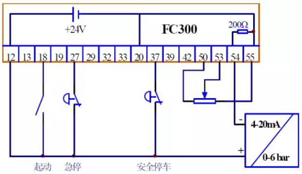
参考来源 1 | 模拟量输入端子 53 [1] | 模拟量输入端子 53 [1] |
|
4-12 |
电机速度下限 |
0 Hz |
15 Hz |
|
4-14 |
电机速度上限 |
120 Hz |
50 Hz |
|
6-10 |
端子 53 低电压 |
0.07 V |
0.07 V |
|
6-11 |
端子 53 高电压 |
10.0 V |
10.0 V |
|
6-14 |
端子 53 参考/反馈低 |
0 |
0 bar |
|
6-15 |
端子 53 参考/反馈高 |
1500 |
6.0 bar |
|
6-22 |
端子 54 低电流 |
0.14 mA |
4.0 mA |
|
6-23 |
端子 54 高电流 |
20.0 mA |
20.0 mA |
|
6-24 |
端子 54 参考/反馈低 |
0 |
0 bar |
|
6-25 |
端子 54 参考/反馈高 |
1500 |
6.0 bar |
|
6-26 |
端子 54 滤波时间 |
0.001 s |
0.1 s |
|
7-20 |
过程反馈源 1 | 无功能 [0] | 模拟量输入端子 54 [2] |
|
7-30 |
过程 PID 正常/反向控制 | 正常 [0] | 正常 [0] |
|
7-31 |
过程 PID 防积分饱和 | 开 [1] | 开 [1] |
|
7-32 |
过程 PID 启动速度 |
0.00 |
15.00 Hz |
|
7-33 |
过程 PID 比例增益 |
0.01 |
0.3 |
|
7-34 |
过程 PID 积分时间 |
Off |
8.0 s |
|
7-35 |
过程 PID 微分时间 |
0 s |
0 s |
|
7-36 |
过程 PID 微分增益极限 |
5.0 |
5.0 |
| 参数号码 | 参数名称 | 出厂值 [代码] | 设定值 [代码] |
|
3-10.0 |
预置给点 1 |
0 |
100%对于 6Bar |