榴莲视频导航污下载在线观看,榴莲APP官方下载进入网站,榴莲视频污版APP在线下载,榴莲视频黄片版在线免费观看
首页
企业中心
公司简介
企业文化
认证获奖
组织架构
大事记
加入榴莲视频导航污下载在线观看
新闻资讯
行业新闻
公司新闻
产品信息
丹佛斯产品系列
汇川产品系列
伟肯产品系列
海利普产品系列
台达产品系列
技术服务
维修和维护
丹佛斯售后服务
技术培训
专业文章
资料下载
工程技术
工程技术
联系榴莲视频导航污下载在线观看
English
技术分享
维修/维护
技术分享
应用案例
海利普变频器接线图和海利普变频器工作原理
时间:2019-06-10 作者:榴莲视频导航污下载在线观看变频 点击:次
海利普变频器是丹麦丹佛斯旗下的全资子品牌,所生产的变频器广泛应用于起重、纺织、印染、石油、化工、建筑、建材、橡胶、塑料、包装、印刷、造纸、食品、饮料、环保、水处理、机床等行业。
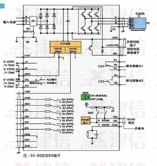
海利普变频器主要由整流、滤波、逆变、驱动单元、制动单元、检测单元微处理单元等组成。采用交-直-交工作原理,首先将三相交流电经整流模块变换成直流,再进行滤波后,通过IGBT等其它电力电子器件逆变成频率和电压均可变的三相交流电供电机使用。同时,通过IGBT的开断调整输出电源的频率和电压,从而达到调速、节能的作用。以下是海利普各系列变频器的接线示意图。
HLP-A100系列通用矢量型变频器接线图
HLP-B系列高性能矢量型变频器接线图
HLP-C100 系列矢量型变频器接线图
HLP-G100系列工程型矢量变频器接线图
返回列表
网站地图