丹佛斯FC300高性能驱动器加上新一代MCO305高速运动专用控制器,可实现定位控制功能。电机可以选用异步或同步伺服电机。支持各种各样的电机反馈装置,从增量编码器、绝对位置编码器一直到旋转变压器。针对丹佛斯MCO305同步控制功能,上海榴莲视频导航污下载在线观看变频器有限公司为客户在食品饮料行业吹瓶机上进行了技术应用。
一、 吹瓶机系统的工作原理
客户专业生产二步法吹瓶机,该机型拥有瓶子成本低,产量高,适合大批量生产设备,操作容易,可分别优化注塑和吹塑工艺,瓶加工质量轻等优点,但设备费用较高。
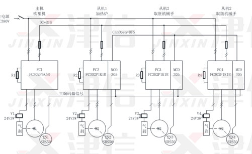
设备的主要难点在于保证以下环节的位置同步(如下图,一台主机,三台从机):
1、加热炉与取胚机械手同步;
2、取胚机械手与吹塑站同步;
3、取瓶机械手与吹塑站同步;
注:图中机构1为吹塑站,2为加热炉,3为取胚机械手,4为取瓶机械手;

目前吹瓶机各同步环节采用同一电机驱动、机械同步解决方案,该方案基本上在设备使用两年以上后,机械会出现不同程度磨损和损坏,导致同步精度降低,出现故障时,维修周期长、维护量较大。类似这种机械式的轴、皮带或链条同步方案逐渐被步进系统、伺服系统、变频器系统的电气同步方案取代。
二、 丹佛斯同步方案

吹瓶机控制系统主要实现同步的问题,丹佛斯MCO305同步卡可以很好地控制这类系统,吹瓶机中心轴为主轴,电机为主轴电机;其他传动设备中心轴为从轴,电机为从轴电机。从轴跟随主轴位置同步。齿盘A各齿与吹瓶机大盘各工位一一对应,齿盘B 各齿与灌装机大盘各工位一一对应。如下图所示。齿盘A 和齿盘B 各外装有一个开光量传感器,在机器启动时首先进行脉冲检索同步,使大盘和小盘运行到同步位置,在机器运行中通过MCO350 卡实现位置同步。

特殊条件下的处理:
1. 急停
只要从轴的制动转矩足够大,从轴保持相位角度同步跟踪主轴停机是没有问题的。不过需要机械厂家注意从机减速机的选型,减速机要能承受急停时的制动转矩。
2. 停电
采用直流母线共享解法,主机起用“主电源故障-借能运行”功能。这是一种受控减速停车功能,利用主机的惯性,在减速时发电,供从机使用。当主机降到低速时,才采用气刹机械制动,这时从机也采用气刹制动。这种控制方式可以使停机时的机械失步降到最低。
三、 MCO305运动控制器功能简介
MCO305硬件I/O端口配置:
l 两个编码器接口
l 支持增量编码器,单圈或多圈SSI绝对位置编码器,Hiperface接口编码器。
l 10个数字量输入
l 8个数字量输出
l 1个RS485通讯口
l 1个CANOpen通讯口
l 另外还可以利用变频器本体的全部资源。
MCO305与变频器的通讯结构如下图:
本方案主要使用了MCO305运动控制卡内置的标记同步控制功能。
丹佛斯同步卡的标记位置同步功能基于精确的角度同步控制,并且能根据外部标记信号修正相位偏差。标记同步控制广泛应用于生产行业。系统的核心控制逻辑是在检测到主轴产品与从轴产品以后,调速,补偿他们之间的相位差,然后令两条生产线保持位移同步。

在启动标记同步时,其初始行为将类似于位置同步,但在检测到第一组(主、从)标记信号后,标记相位修正便会开始工作。通过参数33-23可以定义用于第一个标记修正的标记。
标记同步的典型应用如下:
1) 两条独立生产线之间的角度同步,并有保持相位关系的控制要求;
2) 传动比无法设置为100%正确的角度同步控制;
3) 编码器和必须保持同步的部件之间存在滑移的同步控制;
4) 产品之间的间距不等分的同步控制。
四、 运行效果

现场实际运行证明MCO305同步控制功能加上带有编码器反馈的异步电机的吹瓶机系统完全很好的达到了设备的功能和生产要求。